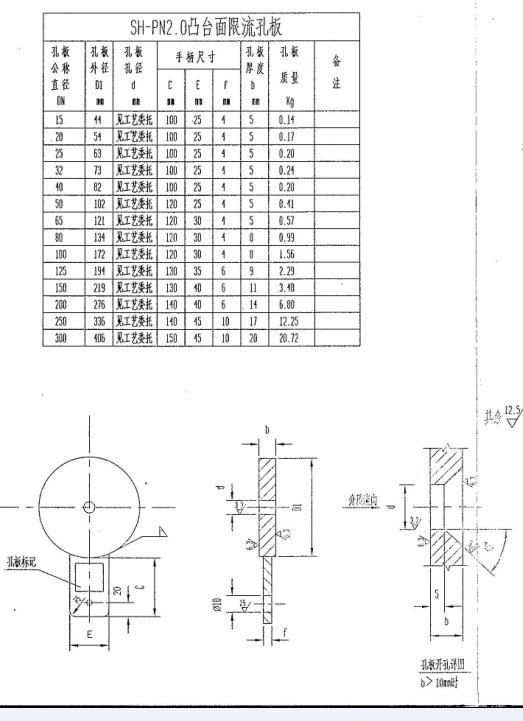
石油化工限流孔板的尺寸圖
導讀:淮安森菱儀表有限公式為您提供:限流孔板性能參數表,安裝尺寸圖紙與圖片,如果您對限流孔板型號、報價與選型手冊感興趣,請撥打我公司電話! ...
相關推薦
- 平衡孔板流量計哪家好
- 限流孔板技術協議
- 限流孔板進出口形狀
- 限流孔板產品圖
- 限流孔板分類及選型要點
- 雙向畢托巴流量計
- 【限流孔板】常用取壓方式
- 限流孔板在水泵出口的作用
- 限流孔板價格,限流孔板的怎么選型?
- 限流孔板是什么,限流孔板運用什么原理?
- 威力阿牛巴巴類流量計幾大進口品牌
- 平衡流量計是否可用于貿易結算流量測量
- 限流孔板符號
- 一體化巴類流量計工作原理及安裝方法
- 插入式巴類流量計都有哪些及廠家?
- 巴類流量計前后直管段要求和取壓方式介紹
- 插入式巴類流量計怎樣選差壓傳感器
- 在線巴類流量計說明書
- 一體化巴類流量計安裝標準
- 插入式巴類流量計在安裝管道上插入前操作
- 有哪些廠家做威力巴類流量計
- 插入式一體化巴類流量計起源由來
- 巴類流量計如何帶反吹掃裝置
- 巴類流量計之間區別方案